Il classico campanello con citofono, lo conosciamo tutti. Un gesto usuale, quello di premere un pulsante ed aspettare che dall’ altra parte del cavo qualcuno risponda. Questi sono gesti che fanno parte della vita di tutti i giorni. La tecnologia ha fatto passi da gigante e lo si nota anche nel contesto fonico.
Indice
I modelli e la loro evoluzione . I sistemi analogici
Campanello
Il campanello è costituito da :
- un pulsante che quando viene premuto chiude il contatto elettrico
- un elemento sonoro, che puo essere un ronzatore
- cavi elettrici
Il suo scopo è quello di avvertire volontariamente della propria presenza. Nasce tutto da qui. Il resto è evoluzione. Ben presto, le tecnologie audio e video si sono integrate al sistema. Così nasce il citofono ed il videocitofono.
Citofono

Il citofono è costituito da :
- la parte del campanello
- microfono e ricevitore fonico ( altoparlante )
- pulsante apriporta
- pulsantiera interna e pulsantiera esterna
Rispetto al campanello si aggiunge l’ elemento audio con tutti i vantaggi che ne conseguono. L’impianto è costituito da un apparecchio esterno ed uno interno, il quale include il pulsante apriporta.
Videocitofono

Il videocitofono è costituito da :
- la parte del campanello
- la parte del citofono
- telecamera e schermo
Il videocitofono oltre a fornirti una funzione in più, aumenta il fattore sicurezza. Infatti grazie alla funzione video, potrai vedere direttamente la persona che ha suonato il campanello e decidere di conseguenza. L’impianto è costituito da un dispositivo esterno con telecamera e da uno interno dotato di schermo .
Impianto citofonico. Da analogico a digitale
Il progresso della tecnologia ha portato al cambiamento del segnale utilizzato per la comunicazione. Ecco che si passa da uno schema analogico, con i suoi apparecchi correlati, ad uno schema digitale che permette di coprire molte aree di interesse.
Confronto Analogico e Digitale :
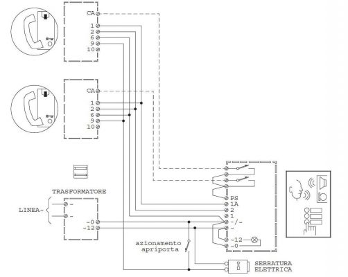
Analogico
Un impianto analogico ha un potenziale limitato e bisogno maggiore di cavi elettrici rispetto al digitale. Oltre a questo c’è anche la difficoltà di interfacciarsi ad altri sistemi presenti nell’ abitazione. Daltronde se apparentemente sembra non avere nessun vantaggio rispetto al formato digitale, non è cosi. Supponiamo di dover fare un impianto in un abitazione unifamiliare e non voler spendere molto. Scegliere questo sistema può essere la soluzione ideale per tenere i costi contenuti. Da scartare invece se si vuole installare un impianto più grande. I costi dei cavi elettrici ne annullerebbero i vantaggi.

Digitale
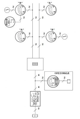
Si capisce da subito che un impianto citofonico digitale è il futuro. L’impianto è costituito da due cavi elettrici che comunicano con i vari dispositivi .Questo sistema è in grado di comunicare con la tecnologia bus.

In un impianto citofonico digitale sono gli apparecchi a determinare la flessibilità dell’ impianto. In commercio ne troviamo molti e con funzioni differenti. Bticino, Gewiss e Urmet offrono prodotti di qualità, di seguito alcuni link che potrebbero esserti utili.
Risorse utili :
catalogo degli impianti videocitofonici della Bticino- catalogo prodotti urmet
- catalogo videocitofonia Gewiss


Pingback: Apparecchiature elettriche e quote di installazione | Elettricasa